- Главная
- Комплектующие
- Точные измерения и контроль процесса обработки
- Датчики для станков
- Система наладки инструмента NCPCB RENISHAW
Система наладки инструмента NCPCB RENISHAW
Артикул A-4111-0001
Для станка для фрезерования печатных плат.
Проводная передача сигнала.
Минимальный размер инструмента Ø 0,10 мм.
Повторяемость 0,50 мкм.
ООО «Эффективное производство» - официальный партнер компании RENISHAW в России
Система бесконтактной наладки инструмента на станках для сверления печатных плат: проверка биения, наладка инструмента и определение поломки инструмента в одном простом компактном устройстве.
Особенности и преимущества:
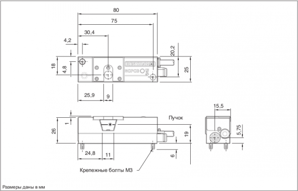
- Размеры 80 мм (длина) × 25 мм (ширина) × 27 мм (высота).
- Встроенная система продувки воздухом для очистки оптики и инструмента.
- Измерение инструментов диаметром 0,1 мм.
- Возможность использования на многошпиндельных станках со скоростью вращения 250 000 об/мин.
- Повторяемость 0,50 мкм (2σ).
| Основное назначение | Измерение инструмента и обнаружение его поломки с очень высокой точностью на станках для сверления и фрезерования печатных плат. | ||
| Способ передачи сигнала | Проводная передача сигналов | ||
| Совместимые интерфейсы | Sieb & Meyer 44-52 | ||
| Повторяемость | ±0,50 мкм (2σ) | ||
| Наладка инструмента | Ø 0,10 мм | ||
| Обнаружение неисправного инструмента | Ø 0,08 мм | ||
| Выходной сигнал (от интерфейсного блока) | Сигнал (на выходе) HCMOS 5 В, 12 мА. Пучок перекрыт: 0 В, пучок не перекрыт: 5 В | ||
| Кабель (к ЧПУ станка) | Технические характеристики | Ø 4,85 мм, 5-жильный экранированный кабель, каждая жила 18×0,1 мм | |
| Длина | 0,8 м | ||
| Способ подсоединения | Кабель подсоединяется с торца блока | ||
| Подача сжатого воздуха | Через разъем с плотной посадкой Ø4 мм, не менее 0,5 бар, не более 3 бар. Воздух, подводимый к устройству NCPCB, должен удовлетворять требованиям стандарта ISO 8573-1: класс очистки 1.7.2. | ||
| Масса | 130 г | ||
| Класс защиты | IP50 (EN/IEC 60529) | ||
| Монтаж | Болты M3, 2 шт. | ||
| Рабочая температура | от +10 до +40 °C | ||
Для заказов на сумму более 50 000 руб. доставка включена в стоимость.
В других случаях рассчитывается исходя из веса отправления и региона доставки.
Возможна доставка любой удобной для заказчика ТК
Сроки доставки от 1 до 3 дней по Центральному региону
По умолчанию мы работаем с двумя курьерскими компаниями:
Major — российская компания, занимающаяся продажей автомобилей и перевозками грузов. Крупнейший, наряду с «Рольфом», автодилер страны.
DPDgroup — международная служба экспресс-доставки. В среднем ежедневно доставляет более 5 миллионов посылок. Работает под торговой марками DPD.
Это наши проверенные партнеры. Однако если вы предпочитаете работать с другой курьерской службой, у нас нет ограничений. Просто сообщите нам об этом. Мы согласуем все условия и отправим заказ с полным комплектом сопутствующей документации.
Как оплатить?
Оплата принимается по безналичному расчету. После согласования заказа мы выставляем счет на оплату. Заказ считается оплаченным после поступления суммы заказа на расчетный счет ООО «Эффективное производство».
Как получить?
География доставки — вся Россия. При перевозке грузы подлежат страхованию. Обычно доставка входит в стоимость продукции.
Приобретая продукцию у нас, вы можете быть уверены, что получаете оригинальное сертифицированное оборудование, комплектующие и оснастку.
На весь представленный ассортимент распространяется гарантия завода-изготовителя. Для каждого конкретного изделия производитель устанавливает определенный гарантийный срок. Обычно он составляет 12-36 месяцев.
Согласно п. 1 ст. 471 Гражданского кодекса РФ гарантийный срок на товар исчисляется с момента фактической передачи его покупателю.
При наступлении гарантийного случая и отсутствии следов некорректной эксплуатации, осуществляется замена неисправного оборудования в соответствии с Законом о защите прав потребителей.
Если утрата функциональности изделия связана с механическими повреждениями, попытками модификации или ремонта, нецелесообразным использованием, то компания ООО «Эффективное производство» не несет за это ответственности, а действие гарантийных обязательств прекращается.
Иногда мы сталкиваемся с ситуацией, когда подлинные запчасти работают некорректно, т.к. нарушена технология их установки. В таком случае наши инженеры удаленно помогают клиентам наладить эксплуатацию.

































